中国·永利yl23455(集团)官方网站-Official website
学校主页
English
首页
学院概况
学院简介
现任领导
组织机构
教研机构
联络我们
书记信箱
院长信箱
办公电话
院徽释义
师资队伍
在职教师
闽江学者
研究生导师
人才培养
本科生教育
专业设置
专业建设
研究生教育
学位点设置
导师团队
培养质量
党建之窗
党务工作
支部风采
主题教育进行时
党员好故事、书记好党课、支部好案例
党员好故事
书记好党课
支部好案例
学科建设
高原学科
创新平台
化学实验中心
福建省现代分离分析科学与技术重点实验室
污染监测与控制福建省高校重点实验室
学术交流
科研成果
科研论文
科研课题
发明专利
学生园地
学工快讯
学工团队
学生组织
创新创业创造
院刊《浪花》
校友家园
校友动态
毕业照集锦
招生就业
本科招生
硕士招生
就业动态
专业认证
制度文件
科学教育专业认证
认证新闻
专业培养方案
认证材料
化学(师范)专业认证
认证新闻
专业培养方案
认证材料
IEET认证
诚聘精英
学校新闻导读
创新平台
当前位置:
首页
>>
学科建设
>>
创新平台
>> 正文
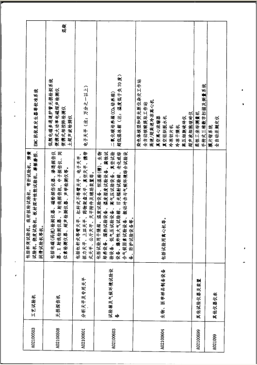
采购进口仪器设备清单
2018-06-04
上一条:
福建省教育厅经费直管单位国有资产管理实施办法
下一条:
漳州市人民政府关于调整市级和县级政府集中采购目录及限额标准的通知